Kladka typ W bez úchytu průměr 117 mm 220 kg 95117-11
Kód: KLP95117-11Extrémní životnost
Nulová poruchovost, prvotřídní zhotovení

Nadstandardní kvalita
Vysoké výrobní standardy a postupy
Tradiční český výrobce
na trhu od roku 1992
Garantovaná kvalita
testované, certifikované výrobky
Detailní popis produktu
- Kvalitní kovové kladky typ W bez úchytu.
- Nosnost 220kg.
- Průměr 117mm.
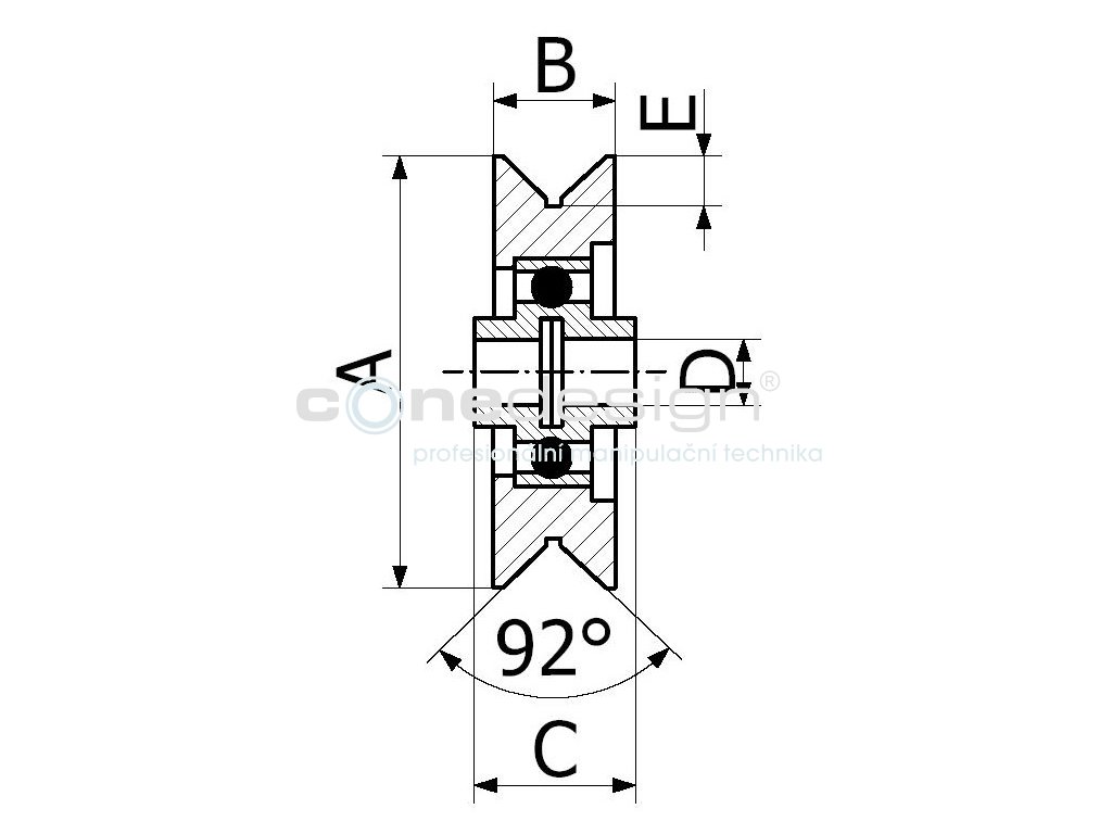
- Rozměry v nákresu:
- A- 117mm
- B- 22mm
- C- 28mm
- D- 12mm
- E- 10mm
Doplňkové parametry
| Kategorie: | Kladky kovové serie 95 000 |
|---|---|
| Záruka: | 2 roky |
| Hmotnost: | 2 kg |
| EAN: | 8595156381612 |
Diskuze
Buďte první, kdo napíše příspěvek k této položce.
Pouze registrovaní uživatelé mohou vkládat příspěvky. Prosím přihlaste se nebo se registrujte.
