Kolečko litinové s nákolkem s kuličkovými ložisky 100 mm 500 kg 96100-01
Kód: KLP96100-01Extrémní životnost
Nulová poruchovost, prvotřídní zhotovení

Nadstandardní kvalita
Vysoké výrobní standardy a postupy
Tradiční český výrobce
na trhu od roku 1992
Garantovaná kvalita
testované, certifikované výrobky
Související produkty
Detailní popis produktu
- Kvalitní litinové kolečko s nákolkem s kuličkovými ložisky.
- Nosnost 500kg.
- Průměr kola 100mm.
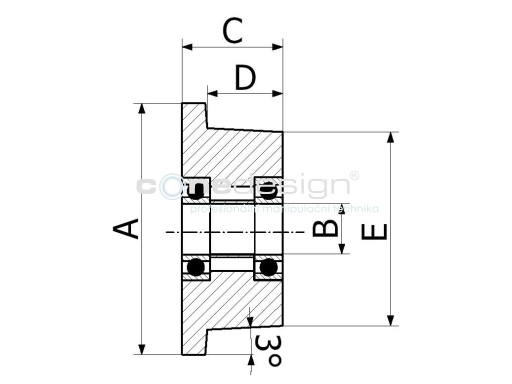
- Rozměry v nákresu:
- A- 100mm
- B- 20mm
- C- 40mm
- D- 30mm
- E- 75mm
Doplňkové parametry
| Kategorie: | Kolečka litinová s nákolkem serie 96 000 |
|---|---|
| Záruka: | 2 roky |
| Hmotnost: | 3.5 kg |
| EAN: | 8595156381377 |
Diskuze
Buďte první, kdo napíše příspěvek k této položce.
Pouze registrovaní uživatelé mohou vkládat příspěvky. Prosím přihlaste se nebo se registrujte.
